995-E5016A95 TEPELNÉ UPÍNAČE 4,5° HSK-E DIN69893

HSKE50-16-95

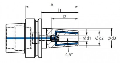
HSKE50-16-95 - TEPELNÉ UPÍNAČE 4,5° HSK-E DIN69893 S UZAVÍRATELNÝMI CHLADICÍMI KANÁLKY

995-E5016A95 HSKE50-16-95 - TEPELNÉ UPÍNAČE 4,5° HSK-E DIN69893 S UZAVÍRATELNÝMI CHLADICÍMI KANÁLKY.

Váha:
0.600 kg
Dostupnost

v ČR: 0 ks

u výrobce: skladem

4 545 Kč
bez DPH
ks
Parametry
Délka s prstencem
95
Norma
HSK-E50 DIN69893
Průměr
16
Vyvážení
G2,5/25.000