995-E4006A80 TEPELNÉ UPÍNAČE 4,5° HSK-E DIN69893

HSKE40-6-80

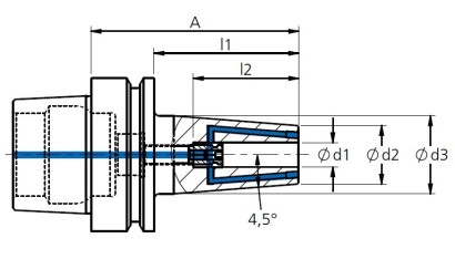
HSKE40-6-80 - TEPELNÉ UPÍNAČE 4,5° HSK-E DIN69893 S UZAVÍRATELNÝMI CHLADICÍMI KANÁLKY

995-E4006A80 HSKE40-6-80 - TEPELNÉ UPÍNAČE 4,5° HSK-E DIN69893 S UZAVÍRATELNÝMI CHLADICÍMI KANÁLKY.

Váha:
0.600 kg
Dostupnost

v ČR: 0 ks

u výrobce: skladem

4 305 Kč
bez DPH
ks
Parametry
Délka s prstencem
80
Norma
HSK-E40 DIN69893
Průměr
6
Vyvážení
G2,5/25.000