995-A5016A120 TEPELNÉ UPÍNAČE 4,5° HSK-A DIN69893

HSKA50-16-120

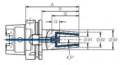
HSKA50-16-120 - TEPELNÉ UPÍNAČE 4,5° HSK-A DIN69893 S UZAVÍRATELNÝMI CHLADICÍMI KANÁLKY

995-A5016A120 HSKA50-16-120 - TEPELNÉ UPÍNAČE 4,5° HSK-A DIN69893 S UZAVÍRATELNÝMI CHLADICÍMI KANÁLKY.

Váha:
1.300 kg
Dostupnost

v ČR: 0 ks

u výrobce: skladem

4 545 Kč
bez DPH
ks
Parametry
Délka s prstencem
120
Norma
HSK-A50 DIN69893
Průměr
16
Vyvážení
G2,5/25.000