985-A10018A120 TEPELNÉ UPÍNAČE 4,5° HSK-A DIN69893

HSKA100-18-120

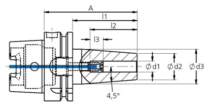
HSKA100-18-120 - TEPELNÉ UPÍNAČE 4,5° HSK-A DIN69893 - OBSAHUJE DÉLKOVĚ STAVITELNÝ ŠROUB

985-A10018A120 HSKA100-18-120 - TEPELNÉ UPÍNAČE 4,5° HSK-A DIN69893 - OBSAHUJE DÉLKOVĚ STAVITELNÝ ŠROUB.

Váha:
2.600 kg
Dostupnost

v ČR: 0 ks

u výrobce: skladem

4 910 Kč
bez DPH
ks
Parametry
Délka s prstencem
120
Norma
HSK-A100 DIN69893
Průměr
18
Vyvážení
G2,5/15.000