925-F6310100 TEPELNÉ UPÍNAČE 3° HSK-F DIN69893 EXTRA ÚZKÉ

HSKF63-10-126

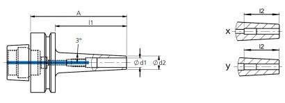
HSKF63-10-126 - TEPELNÉ UPÍNAČE 3° HSK-F DIN69893 - EXTRA ÚZKÉ PROVEDENÍ

925-F6310100 HSKF63-10-126 - TEPELNÉ UPÍNAČE 3° HSK-F DIN69893 - EXTRA ÚZKÉ PROVEDENÍ.

Váha:
1.100 kg
Dostupnost

v ČR: 0 ks

u výrobce: skladem

4 610 Kč
bez DPH
ks
Parametry
Délka s prstencem
126
Norma
HSK-F63 DIN69893
Průměr
10
Vyvážení
G2,5/25.000